微通道反應器在聚合反應中的應用
微反應器作為化學工程學科的前沿和熱點方向,逐漸成為聚合物合成的新裝備、新工藝與新產品開發的重要平臺,得到學術界和產業界的廣泛關注。
聚合反應對反應器的傳熱和混合有很高的要求,傳統的釜式反應器在這方面的缺陷成為獲得高性能聚合產物的瓶頸之一。
微反應器可實現可控的多相微尺度流動,能夠強化聚合反應中的混合、傳質和傳熱過程,嚴格控制反應時間,實現反應單元的模塊化組合。
與傳統攪拌反應器相比,這些特點使得微反應器在控制聚合物分子量分布,簡化反應環境,提高反應選擇性,調節聚合物分子結構和宏觀形貌等方面展現出了一定優勢。
案例1:乳酸化合物聚合
文獻(Macromolecules,Volume 49, Issue 6,Pages 2054-2062)描述了微通道技術在開環聚合的應用。
使用了1,5,7-triazabicyclo[4.4.0]dec-5-ene作為催化劑,用微通道技術可以快速地對各種反應條件,包括溫度,停留時間等等進行優化。加入適量的催化劑,很好地控制了該聚合反應,單體的轉化率達到95%以上,停留時間僅需要2秒,產品的聚合分散度很低(小于1.3)。
該反應可以采用了非金屬催化劑,只使用有機催化劑在微通道反應器里面就能得到品質很好的聚乳酸化合物。
反應示意圖
案例2:丙烯酸聚合
中國專利(CN 105273113)報道了使用微通道合成聚丙烯酸的案例。
在該反應的開始加入引發劑,在反應的末端加入阻聚劑。丙烯酸和引發劑的摩爾比范圍為40-200,聚合溫度是60-140 °C,反應壓力0.1-1MPa.從該反應器得到的產品具有高度的穩定性,比較窄的分子量分布范圍,并且尺寸比較容易得到控制。
案例3:微通道反應器制備銀納米顆粒的研究
銀納米顆粒(又稱“納米銀”)在很多領域,如氣體傳感器、光學器件、電子元件、催化劑以及生物醫藥等方面具有廣泛的用途。
銀納米顆粒的合成有很多種方法,如果你還在使用普通的方法合成銀納米顆粒,那你就“Out”了。倫敦城市學院的A.Gavriilidis等人,以硝酸銀(AgNO3)和硼氫化鈉(NaBH4)為原料,使用微通道反應器進行了銀納米顆粒的合成(R. Baber, A. Gavriilidis等,RSC Advances, 2015,5, 95585)(圖1)。
圖 1 微通道反應合成銀納米顆粒
Gavriilidis等考察了反應總流速、原料濃度和表面活性劑濃度等參數對銀納米顆粒大小和粒度分布的影響。發現控制反應條件,可以對銀納米顆粒的大小和粒度分布進行控制。
降低總流速(延長停留時間),銀納米顆粒的大小和粒度分布從5.4±3.4nm降低到3.1±1.6nm;增加表面活性劑的濃度,銀納米顆粒的大小和粒度分布從8.5±6.9nm降低到4.1±1.1nm;增大硝酸銀的濃度,銀納米顆粒的大小和粒度分布從9.3±3.0nm降低到3.7±0.8nm (圖2)。
圖2 不同濃度硝酸銀溶液制得的銀納米顆粒透射電鏡照片和粒度分布結果(A) 0.05 mM, (B) 0.15mM, (C)0.25 mMand (D) 0.4 mM. 表面活性劑檸檬酸鈉濃度0.5 mM,硼氫化鈉濃度 0.3 mM. 物料總流速 2.5 ml/min, 微通道內尺寸0.556mm.
與傳統的方法相比較,使用微通道反應器進行納米粒子的合成主要有以下優勢:
1)一般微通道反應器在宏觀上為平推流設計,無“返混”現象,有利于縮小納米粒子的粒度分布范圍;
2)高效的混合效果,有利于反應物料之間的均勻混合,提高產品的純度、防止產品中包夾其它雜質;
3)操作簡單,可以快速對反應的停留時間、反應溫度、物料濃度以及添加劑濃度和種類等參數進行調節,高效地優化工藝參數。
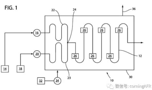
案例4:康寧反應器在聚合反應中的應用案例
康寧研發中心的科學家專利報道了使用康寧微通道反應器合成丙烯酸聚合物,不僅得到了高的轉化率,而且能得到很高的分子量和較窄的分子量分布范圍。
其反應設置圖如下:
其中14是原料罐,18是引發劑罐。16和20是進料泵。22和23是用于預熱原料,而26是微混合器,24是Y型混合器 。32是換熱介質,而34是換熱介質輸送泵。
當進行丙烯酸丁酯和丙烯酰胺進行共聚反應時,康寧科學家發現在康寧反應器中得到的結果優勢明顯,具體結果參見下表:當進行丙烯酸丁酯自聚反應時,Yoshada研究了釜式和不同微通道反應器之間的差異,結果如下圖所示:
從結果可以看出,使用康寧反應器結果非常好!幾乎得到100%的轉化率,而且分子量比較大,PDI也比較低。這說明即使與其他微通道反應器相比,康寧反應器的優勢也非常明顯。
康寧反應器因其良好的混合和傳熱性能近年來開始應用到聚合反應中,并表現出巨大潛力。
案例5:微反應器在陰離子聚合反應中的應用
陰離子聚合能夠實現對分子量和分子量分布的控制,并可用于嵌段、高支化等結構高分子的設計,但對反應條件的要求通常較為苛刻。
在傳統反應器中,必須經過嚴格的除雜措施以保證活性離子的穩定性。而對于許多反應速度較快的離子聚合反應需要在很低的反應溫度下進行反應。
微反應器具有卓越的混合和傳熱性能,并且具有良好的密閉性恰恰可以滿足離子聚合反應的要求,因而在這一領域得到了快速的發展。
Honda 等在由微混合器和微管反應器(內徑250μm)組成的微反應器裝置中進行了氨基酸-N-羧基-環內酸酐的陰離子聚合。所得產物的分子量分布窄于釜式反應器的聚合產物,并可以通過調節流速來控制產物分子量和分子量分布。
Miyazaki等對上述微混合器進行了改進,用硅取代了聚硅氧烷作為微混合器材料,制得了更為穩定、適于連續生產的微混合器。Iida等采用陰離子聚合制得了具有窄分子量分布的聚苯乙烯,并研究了微反應器孔道形狀對反應結果的影響。Wurm 等在微反應器中進行了苯乙烯的陰離子聚合,得到了分子量分布指數為1.09~1.25的聚合物。
Tonhauser 等用預先合成的不同縮水甘油醚終止苯乙烯陰離子聚合的活性種,得到了不同的多羥基末端官能團,如圖6所示。利用這一方法可以方便地合成各種末端官能團的聚合產物。
Nagaki 等在T形微混合器和微管式反應器組成的微反應器系統中進行了苯乙烯以及一系列苯乙烯衍生物的陰離子聚合。反應可在10 s 內完成,且在較溫和的條件下(0 ℃及24 ℃)也能達到對分子量分布的有效控制。
Wilms 等利用微反應器進行了縮水甘油的陰離子開環聚合(圖8),首次實現了超支化聚合物在微反應器中的連續聚合。當提高進料速率并采用高極性溶劑時,可獲得高分子量、分子量分布單一的聚合物。
與傳統反應過程相比,在微反應器中進行聚合可顯著縮短反應時間并使實驗操作更加簡單安全。
摘自文獻:化工進展 2012年第31卷第2期 P.259-267
案例6:微反應器在自由基聚合反應中的應用
大部分自由基聚合是較強的放熱反應,且反應速度較快。在傳統的釜式反應器中,反應器傳熱和傳質能力的不足往往導致反應體系內溫度分布不均,從而影響產物的分子量分布。在放熱較強的自由基聚合中,使用傳熱能力強的微反應器可以顯著改善反應結果。
Iwasaki 等用T形微混合器和內徑分別為250μm 和500 μm 的微管式反應器組成微反應器系統進行了一系列丙烯酸酯單體的自由基聚合。
釜式反應器中丙烯酸丁酯的聚合反應產物分子量分布指數(PDI)高達10 以上,而相同的反應時間和產率下微混合器中反應產物的PDI 可控制在3.5 以下,證明微反應器可以有效地控制自由基聚合產物的分子量分布。
在此基礎之上,Iwasaki 等用8個微反應器組合搭建了小試規模的甲基丙烯酸甲酯自由基聚合裝置,進行了微反應器放大的研究,結果證明該裝置可以長時間穩定運行,展示了利用微反應器進行工業化生產的前景。Serra等對不同構型的微反應器中進行的自由基聚合進行了數值模擬,從理論上展示了微反應器對自由基聚合反應的控制作用。
摘自文獻:化工進展 2012年第31卷第2期 P.259-267
免責聲明:文章來源知乎 作者:法式滾筒YEboss公眾號:YEBOSS的化工大雜燴 轉載僅供參考學習及傳遞有用信息,版權歸原作者所有,如侵犯權益,請聯系刪除。
